Насосы СД
Агрегаты типа "СД", "СДВ" предназначены для перекачивания бытовых и промышленных загрязненных жидкостей с водородным показателем рН от 6 до 8,5, плотностью до 1100 кг/м3, кинематической вязкостью не более 1×10-6 м2/с, температурой от 0 до плюс 90° С, с содержанием абразивных взвешенных частиц не более 1% по объему, размером до 5 мм и микротвердостью не более 9000 МПа.
Расшифровка условного обозначения - СД 16/25-С УХЛ4:
- СД - тип насоса (для сточно-массных сред)
- 16 – подача, м3/ч;
- 25 – напор, м;
- СД – условное обозначение двойного сальникового уплотнения вала;
- УХЛ4 – климатическое исполнение и категория размещения по ГОСТ 15150.
Характеристики насосов СД
| Насос | Подача, м3/час | Напор, м | Мощн. эл-двиг., кВт | об/мин | КПД, % | Кавит. запас, м | Масса кг |
| СД 16/25 | 16 | 25 | 4 | 2900 | 49 | 4 | 71 |
| СД 50/56 | 50 | 56 | 22 | 2900 | 58 | 8 | 86 |
| СД 80/18 | 80 | 18 | 11 | 1450 | 62 | 4 | 132 |
| СД 80/32 | 80 | 32 | 18,5 | 63 | 5 | 167 | |
| СД 100/40 | 100 | 40 | 30 | 2900 | 61 | 9 | 90 |
| СД 160/45 | 160 | 45 | 37 | 1450 | 64 | 6,5 | 394 |
| СД 250/22,5 | 250 | 22,5 | 37 | 63 | 5 | 360 | |
| СД 450/22,5 | 450 | 22,5 | 75 | 960 | 65 | 4,5 | 520 |
| СД 450/56 | 450 | 56 | 132 | 1450 | 64 | 8 | 755 |
| СД 800/32 | 800 | 32 | 160 | 960 | 66 | 6 | 920 |
| СДВ 80/18 | 80 | 18 | 11 | 1450 | 62 | 4 | 265 |
| СДВ 160/45 | 160 | 45 | 37 | 64 | 6,5 | 680 | |
| СДВ 250/22,5 | 250 | 22,5 | 37 | 63 | 5 | 692 |
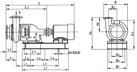
Габаритные и присоединительные размеры агрегатов и насосов типа СД
| Размер | 16/25 | 50/56 | 80/32 | 80/18 | 100/40 | 160/45 | 250/22,5 | 450/22,5 | 450/56 | 800/32 |
| L | 1015 | 1340 | 1398 | 1273 | 1333 | 1900 | 1915 | 2360 | 2575 | 2745 |
| L1 | 150 | 151 | 175 | 159 | 145 | 185 | 195 | 250 | 245 | 262 |
| L2 | 645 | 647 | 745 | 724 | 640 | 1100 | 1120 | 1180 | 1309 | 1324 |
| L3 | 210 | 210 | 295 | 290 | 495 | 490 | 293 | 325 | 402 | 471 |
| L4 | 100 | 100 | 180 | 160 | 160 | 275 | 225 | 250 | 300 | 360 |
| L5 | 500 | 515 | 600 | 542 | 582 | 890 | 1004 | 1200 | 1140 | 1300 |
| L7 | 705 | 885 | 950 | 842 | 947 | 1412 | 1454 | 1687 | 1737 | 2023 |
| L8 | - | - | - | - | - | 445 | 502 | 600 | 570 | 650 |
| B | 294 | 370 | 512 | 443 | 389 | 600 | 616 | 858 | 777 | 1064 |
| B1 | 94 | 134 | 190 | 164 | 150 | 232 | 236 | 345 | 300 | 418 |
| L6 | 105 | 93 | 115 | 80 | 84 | 116 | 110 | 139 | 139 | 116 |
| L11 | 225 | 225 | 250 | 250 | 225 | 450 | 450 | 450 | 550 | 550 |
| B4 | 190 | 190 | 300 | 300 | 190 | 400 | 400 | 400 | 469 | 465 |
| B6 | 256 | 300 | 320 | 300 | 279 | 415 | 400 | 425 | 465 | 610 |
| B7 | 284 | 340 | 366 | 346 | 330 | 455 | 464 | 490 | 509 | 662 |
| H1 | 365 | 520 | 602 | 540 | 495 | 743 | 770 | 940 | 885 | 1065 |
| H2 | 160 | 230 | 310 | 250 | 225 | 330 | 350 | 460 | 425 | 490 |
| H3 | 415 | 530 | 522 | 493 | 590 | 748 | 748 | 900 | 807 | 1096 |
| n4 | 4 | 4 | 4 | 4 | 4 | 6 | 6 | 6 | 6 | 6 |
| d4 | 14 | 15 | 20 | 18 | 20 | 19 | 28 | 28 | 28 | 28 |
| h | 140 | 140 | 180 | 180 | 140 | 280 | 280 | 280 | 320 | 320 |
Присоединительные размеры фланцев
| Размер | 16/25 | 50/56 | 80/32 | 80/18 | 100/40 | 160/45 | 250/22,5 | 450/22,5 | 450/56 | 800/32 |
| Д1 | 40 | 65 | 100 | 100 | 80 | 125 | 150 | 200 | 200 | 250 |
| Д2 | 110 | 145 | 180 | 170 | 150 | 210 | 225 | 280 | 280 | 335 |
| Д3 | 145 | 180 | 215 | 205 | 185 | 245 | 260 | 315 | 315 | 370 |
| Д4 | 88 | 122 | 158 | 148 | 128 | 184 | 202 | 258 | 258 | 312 |
| n2 | 4 | 4 | 8 | 4 | 4 | 8 | 4 | 4 | 4 | 12 |
| d2 | 18 | 18 | 18 | 18 | 18 | 18 | 18 | 18 | 18 | 18 |
| Д5 | 32 | 50 | 70 | 80 | 80 | 80 | 125 | 175 | 150 | 200 |
| Д6 | 100 | 125 | 145 | 150 | 150 | 160 | 200 | 255 | 240 | 280 |
| Д7 | 135 | 160 | 180 | 185 | 185 | 195 | 235 | 290 | 280 | 315 |
| Д8 | 78 | 102 | 122 | 128 | 128 | 133 | 178 | 232 | 212 | 258 |
| n3 | 4 | 4 | 4 | 4 | 4 | 4 | 8 | 8 | 8 | 8 |
| d3 | 18 | 18 | 18 | 18 | 18 | 18 | 18 | 18 | 22 | 18 |