Электродвигатели взрывозащищенные АИМЛ112М4 | АИМЛ112М2 |АИМЛ112МА6 | АИМЛ112МВ6
Взрывозащищенные электродвигатели АИМЛ 112М4, АИМЛ 112М2, АИМЛ 112МА6, АИМЛ 112МВ6 изготавливаются со следующими характеристиками:
- маркировка по взрывозащите 1ExdIIBT4
- на напряжение 380В (три клеммы в коробке выводов).
- климатического исполнения У (умеренный климат, от 45 до -40°С, макс. относительная влажность 100% при 25°С), категории размещения - 2,5, УХЛ (умеренно-холодный климатот 40 до -60°С, макс. относительная влажность 100% при 25°С), Т (тропический, от 50 до -10°С, макс. относительная влажность 100% при 35°С).
- режим работы - продолжительный, S1 (не более 2-3 пусков с интервалом 1 мин. или 1 пуск из горячего сотояния), по согласованию с заводом-производителем допускается использование в режимах S2, S3, S4.
- степень защиты - IP54.
- коробка выводов может быть повернута на 90 о и 180 о
- на лапах (IM1081 на лапах с двумя подшипниковыми щитами)
- фланцевые (IM 3081 на круглом фланце без лап с двумя подшипниковыми щитами)
- комбинированные, лапы+фланец (IM 2081 с двумя подшипниковыми щитами)
Подробнее ознакомиться с конструктивными обозначениями и способами монтажа электродвигателей вы можете здесь ГОСТ2479.
Тип подшипников - 80307. Подшипниковые узлы не предусматривают устройств для пополнения смазки.
Двигатели аналогичны по параметрам и присоединительным размерам (габаритные размеры могут незначительно отличаться) двигателям:
5,5 кВт 1500 об/мин. АИМЛ 112 М4 → АИМ112М4, 4ВР112М4, ВА112М4
7,5 кВт 3000 об/мин. АИМЛ 112М2 → АИМ112М2, 4ВР112М2, ВА112М2
3 кВт 1000 об/мин. АИМЛ 112 МА6 → АИМ112МА6, 4ВР112МА6, ВА112МА6
4 кВт 1000 об/мин. АИМЛ 112 МВ6 → АИМ112МВ6, 4ВР112МВ6, ВА112МВ6
Прайс лист электродвигателей АИМЛ Жмите здесь
Технические характеристики двигателей
АИМЛ112М4, АИМЛ112М2, АИМЛ112МА6, АИМЛ112МВ6
| Электродвигатель | Мощность | Об/мин.* | KПД, %* |
Kоэф. мощн.* |
Iп/ Iн |
Мп/ Мн |
Мmax/ Мн |
Момент инерции,кгм2* |
Масса, кг* |
| АИМЛ112М4 | 5,5 | 1500 | 85 | 0,84 | 7 | 2,2 | 2,8 | 0,981 | 44 |
| АИМЛ112М2 | 7,5 | 3000 | 86 | 0,87 | 7 | 2,2 | 2,8 | 0,588 | 44 |
| АИМЛ112МА6 | 3 | 3000 | 79 | 0,78 | 6 | 2 | 2,5 | 1,08 | 44 |
| АИМЛ112МВ6 | 4 | 1500 | 80 | 0,78 | 6,5 | 2 | 2,5 | 1,37 | 44 |
Масса приведена для IM1081, лапы.
Габаритно-присоединительные размеры электродвигателей АИМЛ100
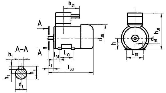
Габаритные размеры АИМЛ112 IM1081 "на лапах"
| Электродвигатель | Габаритные размеры, мм | Вес, кг |
|||
| d30 | h31 | l30 | b31 | ||
| АИМЛ 112М | 268 | 352 | 460 | 190 | 44 |
Присоединительные размеры АИМЛ112 IM1081 "на лапах"
| Электродвигатель | Установочные размеры, мм | |||||||||
| b1 | b10 | d1 | d10 | h | h1 | h5 | l1 | l10 | l31 | |
| АИМЛ 112М | 10 | 190 | 32 | 12 | 112 | 8 | 35 | 80 | 140 | 70 |
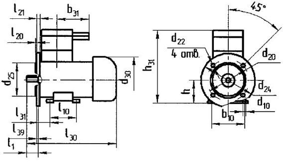
Габаритные размеры АИМЛ112 IM2081 "фланец+лапы"
| Электродвигатель | Габаритные размеры, мм | Вес, кг |
||||
| d30 | h31 | l30 | b31 | d24 | ||
| АИМЛ 112М | 268 | 352 | 460 | 190 | 300 | 44 |
Присоединительные размеры АИМЛ112 IM2081 "фланец+лапы"
| Электродвигатель | Установочные размеры, мм | |||||||||||||||
| b1 | b10 | d1 | d10 | d20 | d22 | d25 | h | h1 | h5 | l1 | l10 | l20 | l21 | l31 | l39 | |
| АИМЛ 100L, 100S | 10 | 190 | 32 | 12 | 265 | 15 | 230 | 112 | 8 | 35 | 80 | 140 | 4 | 16 | 70 | 0 |
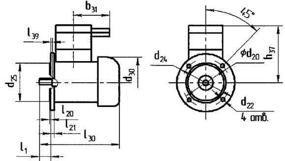
Габаритные размеры АИМЛ112 IM3081 "фланец"
| Электродвигатель | Габаритные размеры, мм | Вес, кг |
||||
| d30 | h37 | l30 | b31 | d24 | ||
| АИМЛ112 | 268 | 240 | 460 | 190 | 300 | 44 |
Присоединительные размеры АИМЛ112 IM3081 "фланец"
| Электродвигатель | Установочные размеры, мм | ||||||||||
| b1 | d1 | d20 | d22 | d25 | h1 | h5 | l1 | l20 | l21 | l39 | |
| АИМЛ112 | 10 | 32 | 265 | 15 | 230 | 8 | 35 | 80 | 4 | 16 | 0 |
Электродвигатели АИМЛ112М используются для комплектации различного промышленного оборудования находящегося во взрывоопасных зонах помещений и наружных установок согласно ПУЭ.